본문 바로가기

네트워크 & 통신/아두이노

LCD 연결(+밝기 조정)

회로도
브레드보드 레이아웃
 http://scipia.co.kr/cms/blog/152 

아두이노 기본실습 7 - 1602 텍스트 LCD실험 | 싸이피아SCIPIA

1602 텍스트 LCD는 16줄 2라인의 영문텍스트를 표시가능한 LCD로서 일반적으로 가장 많이 사용됩니다. 최초의 1602 LCD는 HD44780컨트롤러를 사용하였으나 현재는 많은 호환칩들이 개발되어 동일한 기

scipia.co.kr

 
 
 
성공 사진

업로드 했을 때 퍼포먼스 
 

 
 
 
+)
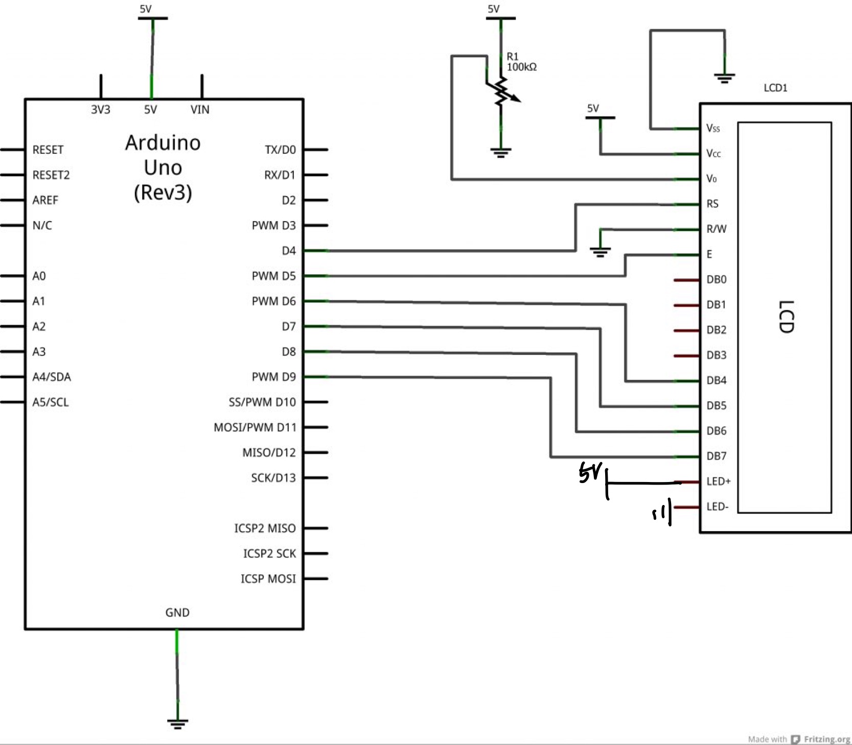
지금까지 내가 회로도라고 알고 있었던 그림은 브레드보드 레이아웃이었다. 
진짜 회로도는 이렇게 생겼다. 
일자 선에 5V 써있는 걸 브레드보드의 +라인에 에 꽂고 줄 3개로 이루어진 삼각형을 -라인에 꽂는다.

 
 
회로도대로 연결을 했는데, 연결이 안된다. 아예 불도 안들어온다.
끝에서 첫번째 두번째 LED +-를 연결했어야 했다,
 
수정된 회로도

연결하니 불은 들어오는데, 글자가 안보인다.
 
아두이노 소스코드에서 핀순서를 잘못적어줘서 그렇다. RS, R/W, E,DB4, DB5 순으로 연결된 포트를 적어줘야하는데(4, 5, 6, 7, 8, 9) 반대로 적어서 연결이 안 된 것이었다. 
 
이제 글자가 보이긴 하는데 흐릿하다. 
포텐셔미터를 일자드라이버로 살짝 돌려주었더니글씨가 보인다.
연결한 방향에 따라서 조금 다른데 +와 연결된 선 쪽으로 돌리면 밝아지고, -와 연결된 선 쪽으로 돌리면 어두워진다. 
포텐셔미터는 가변저항이므로 저항을 높여주면 어두워지고 저항을 낮춰주면 밝아진다.
+쪽으로 돌리면 저항이 높아지고 -쪽으로 돌리면 저항이 낮아진다.  
나는 일자 드라이버가 없어서 갖고 있는 부품 핀으로 돌렸다. 
 

 
포텐셔미터 

 

이것도 생김새가 달라서 그렇지 가변저항의 일종이다. 
 
만약 포텐셔미터가 없다면, 저항( ------(  | | | | | )-------- 이렇게 생긴 거)을 꽂아서 밝기를 조정해줄 수 있다. 
LED+와 LED- 사이에 저항을 꽂아서 연결해주면 된다. 
 
저항을 연결한 모습

 
초록색 점퍼선이 LED-, 노란색 점퍼선이 LED+에 연결되어 있다. 
 
저항을 추가한 회로도를 그리고 싶은데 어떻게 하는지 모르겠다.
 
 
 
 
 
 
 
 

'네트워크 & 통신 > 아두이노' 카테고리의 다른 글

서보모터 + LED + LCD 동시 연결  (0) 2023.03.11
아두이노 신호등 제어  (1) 2023.03.01
LED 껐다 켜기  (0) 2023.03.01
서보모터 연결  (0) 2023.03.01